針對汽車水泵等電機控制應用類目,Microchip有多種MCU方案可供選擇。今天我們介紹兩種較典型的系列——dsPIC33EDV系列和dsPIC33EP MC系列。

Microchip dsPIC33EDV系列集成了預驅和LDO等,具有集成度高、體積小等特點。dsPIC33EP MC系列則可以外掛驅動芯片,驅動能力可選,靈活性高。接下來我們分別介紹一下這兩種系列應用在電機控制方案里的原理框圖及其主要特點。
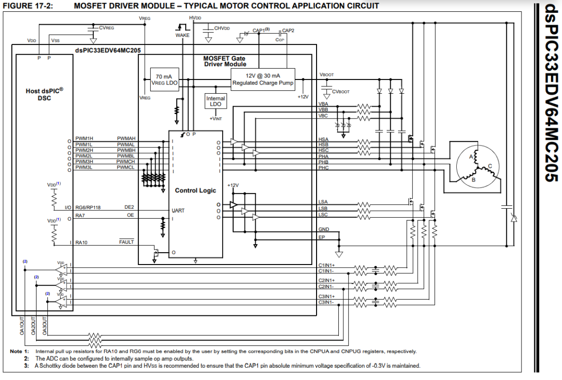
dsPIC33EDV系列

dsPIC33EDV系列MCU電機方案原理圖
主要特點
○ 集成預驅和高速運算放大器
○ 集成3.3V和12V LDO,無需外加LDO或DC/DC
○ 汽車相關認證(AEC-Q100,Class B功能安全,IEC 60730,-40℃~150℃)
dsPIC33EP MC系列

dsPIC33EP MC系列MCU電機方案原理圖
主要特點
○ 主頻 70 MIPS,管腳28PIN~64PIN
○ 內部集成高速ADC和高精度PWM
○ 有汽車級芯片,多種溫度范圍(-40℃~85℃、-40℃~125℃、-40℃~150℃)
案例展示:新能源汽車電池散熱水泵驅動方案
新能源汽車電池散熱水泵驅動方案基于Microchip dsPIC33EP MC系列MCU,具有啟動迅速可靠、動態性能佳、效率高等特點。

主要參數
○ 工作電壓:24VDC
○ 輸出功率:60W
○ 控制方式:無傳感器FOC
○ 調制方式:SVPWM
○ 電流采樣方式:雙電阻采樣
○ 調制頻率:16KHz
○ 電機轉速:5000RPM @ 3極對
○ 流量:35L/min
○ 保護功能:過流、欠壓、過壓、過溫保護,斷相、輸出短路等
主要特點
○ 啟動迅速可靠,動態性能佳,效率高
○ 帶有CAN通信接口,方便接入汽車總線
○ 汽車級器件,可工作于極端環境
如您有相關項目或設計方案需求,請您填寫有獎問卷,我們會免費給您提供相關樣品并進行后續技術指導。
提交問卷即可有機會領取雙肩包、倍思65W充電器等精美禮品!











